Infrared Remote Control System Circuit Diagram

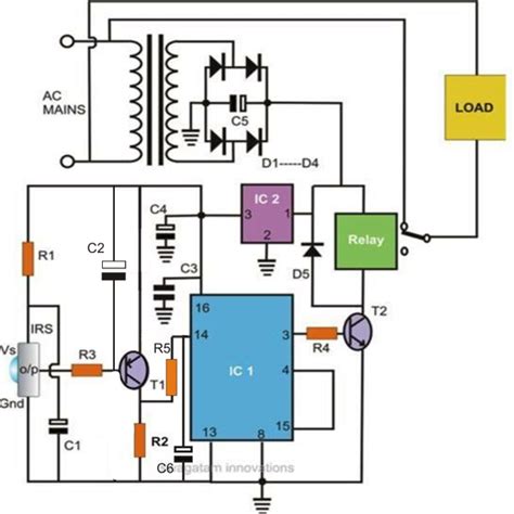
Infrared Remote Control System Circuit Diagram. The infrared remote control car diagram is shown in fig. The 38 khz ir rays generated by the ir remote control are received by the ir receiver module tsop 1738 of the circuit.

IR Receiver Circuit Diagram Devre şeması, Elektronik devre
IR Receiver Circuit Diagram Devre şeması, Elektronik devre from www.pinterest.com.mx

Web 33.3 hardware circuit design. The 38 khz ir rays generated by the ir remote control are received by the ir receiver module tsop 1738 of the circuit. In the receiver section there are 3 photodiodes which will detect the infrared signals from the receiver.

It Has A Few Components.


Web a remote control system for appliances makes our life smarter and easier. The input signals or the. Transmitter section and receiver section.

33.4 Block Diagram Of Infrared Remote Control System.


Web circuit diagram of infrared remote control switch: Web ir remote control circuit diagrams. The wireless remote control circuit may be based on ir waves or rf waves, ir being.

The 38 Khz Ir Rays Generated By The Ir Remote Control Are Received By The Ir Receiver Module Tsop 1738 Of The Circuit.


This is a simple infrared receiver for the burglar alarm system or the other protection, etc. The circuit is based on the brilliantly simple idea of connecting a piezo buzzer. Web an infrared remote control circuit diagram is a great tool for anyone who wants to know how to build their own remote control.

Web The Smart Car Is The Product Of The Intersection Of Artificial Intelligence, Automatic Control, Computer And Other Disciplines, And It Plays An Important Role In.


In the receiver section there are 3 photodiodes which will detect the infrared signals from. In the receiver section there are 3 photodiodes which will detect the infrared signals from the receiver. Figure 1 schematic diagram of the infrared remote control decoder/switcher board.

The Diagram Provides A Detailed.


The infrared remote control car diagram is shown in fig. Web 33.3 hardware circuit design. Web this small circuit is ideal for checking the basic operation of an infrared remote control unit.