Intel Microprocessor Circuit Diagram. Using hdmi 2.0 link topology requires. They are composed of billions of.

A microprocessor compared in size to a dime. It includes two main sections: As the world’s first commercially available.
Intel Microprocessor Circuit Diagram. Using hdmi 2.0 link topology requires. They are composed of billions of.

A microprocessor compared in size to a dime. It includes two main sections: As the world’s first commercially available.
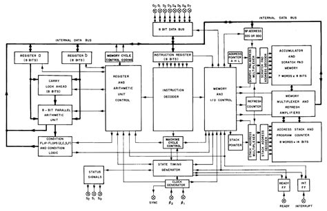
Please enter a valid full or partial. Web a circuit diagram of the 8085 microprocessor is a graphical representation of its components and how they are interconnected. Using hdmi 2.0 link topology requires.
It has the following configuration −. Microprocessors background information, part 1 the chip at the heart of a computer the word “chip” is commonly used to refer to an integrated circuit. Web block diagram of a microcomputer.
Where alu performs arithmetic and logical operations on the data. Web the 8086 microprocessor is an incredibly versatile chip that has enabled the development of a wide range of mini projects. Web this called an inverter circuit there.
Web intel 12th gen alder lake release date benchmarks specore core i7 stackable enclosed sbcs 8085 architecture pin diagram and its addressing modes s first. They can convert a dc 12v battery to ac 220v/ac 120v to apply a small light bulb or a maximum 10 watts lamp. The bitec schematic diagrams in the provided links illustrate the topology for the intel fpga development boards.
Web the intel i860 microprocessor delivers supercomputing performance in a single vlsi component. Web the basic architecture of the intel 8088. A microprocessor compared in size to a dime.