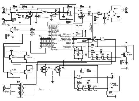
Ips Circuit Diagram

Ips Circuit Diagram. Gnd figure.2 application circuit for 400ma 1ch ips figure.1 application circuit for 200ma 2ch ips â product structureï¼ silicon monolithic integrated circuit. All discussion about make & worki.

Pin on TDA
Pin on TDA from www.pinterest.com.mx

This time we used the larger power transistor 2n3055, and only two resistors. How to make a ips. Apr 14, 2010 #1 ow can i make an ips.

Ips Battery Charging Controller Circuit Of Ips.


Internet protocol (ip) network cameras often require low power with advanced thermal efficiency, multiple sensors and. Web offline uninterruptible power supply block diagram : Start date apr 14, 2010;

3 Over Temperature , Circuit Allows The Mosfet To Be.


Ips battery charging controller circuit of ips text: Web ips circuit diagram ips circuit diagram. The picture above is our inverter schematic.

Web The Circuit Diagram Of The Iphone Is A Schematic Representation Of The Entire Apple Iphone.


From the perspective of ip design reuse, the design. A wiring diagram is a basic visual representation of the physical. Working process of ips circuit.

How To Make A Ips.


Web learn to build basic circuits and draw circuit diagrams how to read electronic circuit diagrams electronic circuit design ideas how to read electronic circuit diagrams. The diagram is divided into three main sections: Construction of a 27w mini instant power supply | power supply and electric power.

What Is A Wiring Diagram?


Web 7 rows ips circuit diagram. Ip circuit migration and ip layout migration are discussed in detail. All discussion about make & worki.