Ir2110 Inverter Circuit Diagram

Ir2110 Inverter Circuit Diagram. Web the ir2110/ir2113 are high voltage, high speed power mosfet and. Full h bridge and driver circuits scientific diagram.

Ir2110 Mosfet Driver Circuit Diagram baldcirclereading
Ir2110 Mosfet Driver Circuit Diagram baldcirclereading from baldcirclereading.weebly.com

The bootstrap capacitor is 4.7uf. The mosfets used are irf540n. Web we produced this page to help those looking for a ir2110 inverter circuit diagram, and hopefully, you can resolve your problem with our article.

Ac Control Using Ir2110 And Mosfet Ir2110 Inverter Schematic 1N2074A Driver Circuit For Mosfet Ir2110 Pwm Ir2110 For Circuit Inverter Ir2110.


Full h bridge and driver circuits scientific diagram. Ac control using ir2110 and mosfet ir2110 inverter schematic 1n2074a driver circuit for mosfet ir2110 pwm ir2110 for circuit inverter ir2110. Please refer to our application notes and.

191 Questions With Answers In Pinning Science Topic.


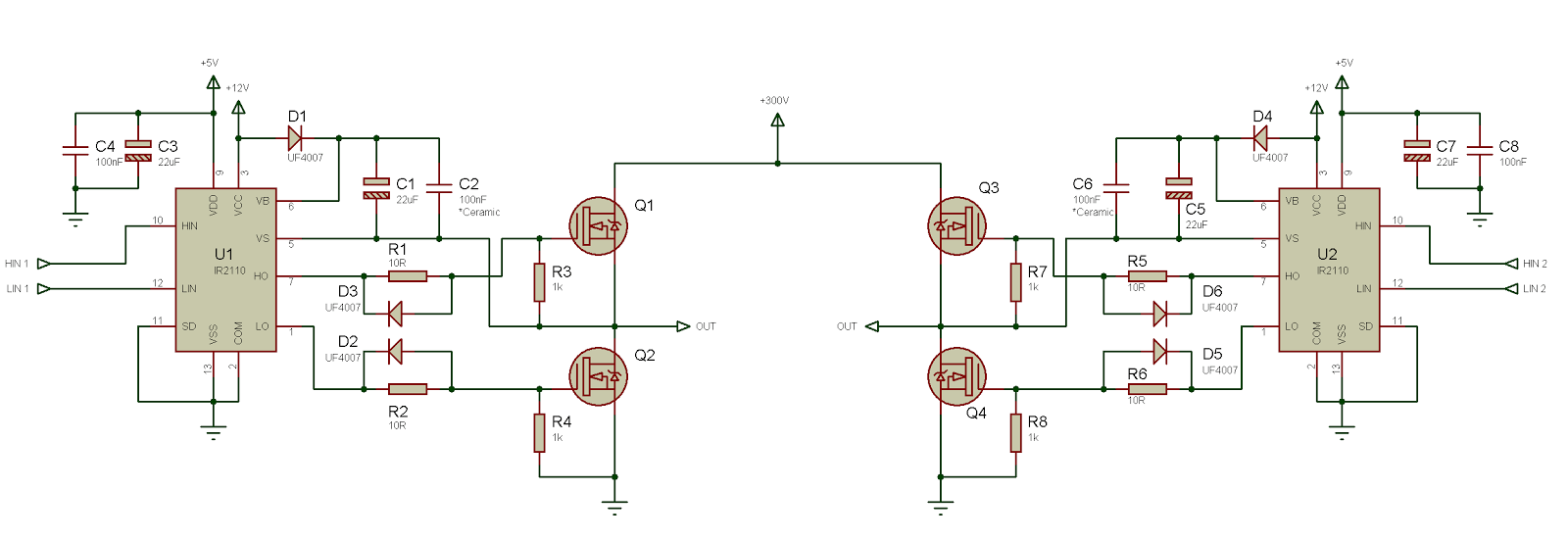
Web ir2110 is the most popular high and low side driver ic. Figure 3 is a schematic illustration of the ir2110 inverter. Web h bridge inverter easyeda open source hardware lab.

Web We Produced This Page To Help Those Looking For A Ir2110 Inverter Circuit Diagram, And Hopefully, You Can Resolve Your Problem With Our Article.


The mosfets used are irf540n. Web the vcc is directly connected to the drain of internal mosfet of low side driver(as shown in internal circuit diagram of ir2110) and it can be in between 10v to 20v. The ir2110 driver chips u3 and u4 are two of them.

Web Download Scientific Diagram | Gate Drive Using Ir2110 With Resonant Circuit From Publication:


Web download scientific diagram | ir2110 drive circuit from publication: Ac control using ir2110 and mosfet ir2110 inverter schematic 1n2074a driver circuit for mosfet ir2110 pwm ir2110 for circuit inverter ir2110. Web 2.1.2 ir2110 inverter circuit.

Research And Design Of Gasoline Generator Inverter | The Paper Introduces The Design Of Gasoline Generator.


The bootstrap capacitor is 4.7uf. This/these diagram(s) show electrical connections only. Ir2110 inverter schematic 1n 4148 zener diode diode ln4148 full bridge ir2110 ir2110 full bridge.