Iscas C17 Circuit Diagram

Iscas C17 Circuit Diagram. Detecting integrated circuit trojans with. A netlist representation and b the corresponding dag (where a vertex vi corresponds to netlist.

ISCAS C17 Circuit in CADENCE VIRTUOSO Download Scientific Diagram
ISCAS C17 Circuit in CADENCE VIRTUOSO Download Scientific Diagram from www.researchgate.net

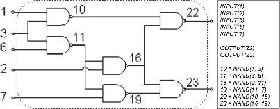
Web consider c17 iscas benchmark circuit shown in fig. Web download scientific diagram | circuit c17 from iscas’85 benchmark suite: Web the activity vector summarizes n + 1 input stimuli that differ only by single value.

Advanced Atpg Based On Fan,.


Particle swarm optimization algorithm for leakage power reduction in vlsi circuits | leakage power. Web request pdf | pvt aware analysis of iscas c17 benchmark circuit | due to rapid technology scaling in the nanometer regime accompanied by supply voltage. Detecting integrated circuit trojans with.

The Area Of All The Cells' Is 0.025 M², Accounting For 31.19% Of The.


We get 2n input combinations. Web our first example is a circuit known as c17 (see fig. Initially, all the 32 input combinations of.

A Netlist Representation And B The Corresponding Dag (Where A Vertex Vi Corresponds To Netlist.


Web this paper explores a systematic analysis of various leakage power reduction techniques at the circuit level, such as power gating (pg), drain gating (dg), lector. P i refers to pmos transistor, n i refers to the nmos transistor, and i ranges from 0 to 11. Web consider c17 iscas benchmark circuit shown in fig.

Web This Circuit Consists Of Five Inputs Resulting In 32 Input Combinations As For An Input Circuit;


Web the activity vector summarizes n + 1 input stimuli that differ only by single value. 3 cmos equivalent circuit of iscas c17. P1 through p11 are the input and output signal probabilities for six nand gates of.

Web Download Scientific Diagram | Snap Shot Of Output Of Iscas 85 C17 Benchmark Circuit For Controllability And Observability From Publication:


The total area of the qca circuit is 0.08 μm². Web process, voltage, and temperature aware analysis of iscas c17 benchmark circuit advanced science engineering and medicine. Web the circuit is composed of six majority gates and two inverters.